某钢帘线生产企业18条电镀线车间废气收集和处理系统
本案共设6套废气收集处理系统对兴达九厂电镀车间18条电镀线及24条粗拉线产生废气。另设2套废气收集处理系统处理电镀线三级酸洗部分封闭镀槽顶吸风罩废气。排放废气达到《大气污染物综合排放标准》(GB16297-1996)的要求。
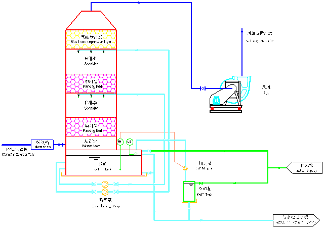
废气收集处理系统按照生产区间划分,实行独立控制。废气处理塔均采用进口优质PP材料制作,集中布置于室外。
系统处理量
废气收集和处理区域 Waste gas collection and treatment area | Waste gas purification towertype | 单套系统处理量(m3/h) Single capacity |
Waste gas from 4 rough wire drawing lines and 3 electroplating lines | ¢3000mm二级碱液喷淋立式塔 ¢3000mm two-stage alkali spraying vertical scrubber | 27000 |
Waste gas from 9 level 3 closed plating in electroplating lines | ¢3500mm二级碱液喷淋立式塔 ¢3500mm two-stage alkali spraying vertical scrubber | 42000 |
流程图

案例图片
